É­ÁÖ·À»ð¼à¿Ø£¬£¬£¬£¬£¬ £¬£¬ £¬É­ÁÖ»ðÔÖÔ¤¾¯ÏµÍ³£¬£¬£¬£¬£¬ £¬£¬ £¬É­ÁÖ·À»ð¼à¿ØÉãÏñ»ú£¬£¬£¬£¬£¬ £¬£¬ £¬²ÝÔ­·À»ð¼à¿Ø£¬£¬£¬£¬£¬ £¬£¬ £¬²ÝÔ­»ðÔÖÔÆÌ¨×°±¸£¬£¬£¬£¬£¬ £¬£¬ £¬ÑÌ»ð×Ô¶¯Ê¶±ðÔ¤¾¯ÏµÍ³£¬£¬£¬£¬£¬ £¬£¬ £¬½Õ¸ÑȼÉÕ¼à¿Ø£¬£¬£¬£¬£¬ £¬£¬ £¬½Õ¸ÑȼÉÕÔ¤¾¯ÏµÍ³£¬£¬£¬£¬£¬ £¬£¬ £¬º£·À¼à¿ØÏµÍ³£¬£¬£¬£¬£¬ £¬£¬ £¬É­ÁÖ·À»ð

mg±ùÇòÍ»ÆÆ¹ÙÍøÈë¿Ú

mg±ùÇòÍ»ÆÆ¹ÙÍøÈë¿Ú mg±ùÇòÍ»ÆÆ(ÖйúÓÎ)¹Ù·½ÍøÕ¾
mg±ùÇòÍ»ÆÆ(ÖйúÓÎ)¹Ù·½ÍøÕ¾
mg±ùÇòÍ»ÆÆ(ÖйúÓÎ)¹Ù·½ÍøÕ¾ 0755-86518800

mg±ùÇòÍ»ÆÆ(ÖйúÓÎ)¹Ù·½ÍøÕ¾¼òÌåÖÐÎÄ mg±ùÇòÍ»ÆÆ(ÖйúÓÎ)¹Ù·½ÍøÕ¾Ó¢ÎÄ mg±ùÇòÍ»ÆÆ(ÖйúÓÎ)¹Ù·½ÍøÕ¾


mg±ùÇòÍ»ÆÆ(ÖйúÓÎ)¹Ù·½ÍøÕ¾²úÆ·ÖÐÐÄProduct Navigation

mg±ùÇòÍ»ÆÆ(ÖйúÓÎ)¹Ù·½ÍøÕ¾ÈÈÃŲúÆ·Hot products

mg±ùÇòÍ»ÆÆ(ÖйúÓÎ)¹Ù·½ÍøÕ¾½â¾ö¼Æ»®Solution

mg±ùÇòÍ»ÆÆ(ÖйúÓÎ)¹Ù·½ÍøÕ¾ÁªÏµ·½·¨Contact information

ÁªÏµµç»°£º0755-86518800 QQ£º2117832400 ÊÖ»ú£º13538144380 ÓÊÏ䣺sales@huaruicom.com

Ê×Ò³ > ²úÆ·ÖÐÐÄ > ¹âѧ²úƷϵÁÐ > ÈȳÉÏñ¾µÍ·

100mmÈȳÉÏñ¾µÍ·HRC-TL100
  • 100mmÈȳÉÏñ¾µÍ·HRC-TL100

100mmÈȳÉÏñ¾µÍ·HRC-TL100

ÈȳÉÏñ¾µÍ·

·ÖÏíµ½£º
  • ²úÆ·¸Å¿ö
  • ²úÆ·²ÎÊý
  • ²úÆ·Ó¦ÓÃ
  • ×ÊÁÏÏÂÔØ
  • ²úÆ·¸ÅÊö£º

    Ãû³Æ£º100mmÈȳÉÏñ¾µÍ·

     ÐͺţºHRC-TL100


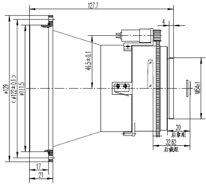
    ²úÆ·³ß´çͼ£º

    mg±ùÇòÍ»ÆÆ(ÖйúÓÎ)¹Ù·½ÍøÕ¾

  • ¹âѧϵͳ²ÎÊý±í

    ½¹¾à£¨f¡®£©

    100

    ¹âȦ£¨F£©

    1.0

    ˮƽÊÓ³¡½Ç

    5.5¡ã

    ±ÊÖ±ÊÓ³¡½Ç

    4.1¡ã

    È«ÊÓ³¡½Ç

    6.9¡ã

    ÊÂÇ鲨¶Î

    8~12um

    µ÷½¹¾àÀë

    ¡Þ~5Ã×

    µçµ÷½¹

    Ö§³Ö

    ̽²âÆ÷ÀàÐÍ

    384*288£¨¡õ25um£©

    ÏñÃæ³ß´ç

    9.6*7.2£¨¦µ12£©

mg±ùÇòÍ»ÆÆ(ÖйúÓÎ)¹Ù·½ÍøÕ¾ Ïà¹Ø²úÆ·
New products Ïàʶ¸ü¶à>